欢迎访问北京美狮贵宾会扭矩科技有限责任公司!

国内研究扭矩测试的厂家

扭矩测试技术不断提高,为用户解决各种测试需求做出努力

扭矩传感器

首页:产品展示 > 扭矩传感器
>
<
产品名称:扭矩传感器

产品说明:用于静态扭矩测量,型号:XRSFT-Ⅱ

产品介绍:电阻应变式原理,精度高,性能稳定可靠,安装使用方便,适用于静态扭矩测量。

产品名称:扭矩传感器

产品说明:用于静态扭矩测量,型号:XRSFT-Ⅱ

产品介绍:电阻应变式原理,精度高,性能稳定可靠,安装使用方便,适用于静态扭矩测量。


一、技术指标及参数:


技术指标

技术参数

单位

量程

SFT-Ⅰ

0.5123510203050

N.m

SFT-Ⅱ

0.51235102030501002003005001000200030005000

SFT-Ⅲ

1002003005001000200030005000,10000,20000,30000,50000

灵敏度

12

mV/V

非线性

0.1

0.3

1.0

%FS

重复性

0.1

0.3

1.0

%FS

滞后

0.1

0.3

1.0

%FS

供桥电压

12

VCD

输入电阻

350±20710±20

Ω

输出电阻

350±20710±10

Ω

绝缘电阻

2000

Ω

工作温度范围

-20+60

热零点偏移

0.1

0.3

1.0

%FS/10

热灵敏度偏移

0.1

0.3

1.0

%FS/10

允许过负荷

120

%FS

接线方式

插座:1.电源(+)2.电源(-)3.输出(+)4.输出(-)



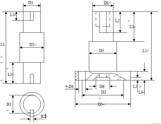
二、外形尺寸:



技术指标

技术参数

单位

量程

SFT-Ⅰ

0.5123510203050

N.m

SFT-Ⅱ

0.51235102030501002003005001000200030005000

SFT-Ⅲ

1002003005001000200030005000

灵敏度

12

mV/V

非线性

0.1

0.3

1.0

%FS

重复性

0.1

0.3

1.0

%FS

滞后

0.1

0.3

1.0

%FS

供桥电压

12

VCD

输入电阻

350±20710±20

Ω

输出电阻

350±20710±10

Ω

绝缘电阻

2000

Ω

工作温度范围

-20+60

热零点偏移

0.1

0.3

1.0

%FS/10

热灵敏度偏移

0.1

0.3

1.0

%FS/10

允许过负荷

120

%FS

接线方式

插座:1.电源(+)2.电源(-)3.输出(+)4.输出(-)



型号

SFT-

SFT-

SFT-

A

B

C

A

B

C

量程(N.m

0.5123510203050

0.5123510203050100

2003005001000

200030005000

1002003005001000

1002003005001000

200030005000

D1

φ30+0.023-0.043

φ30

φ50

φ75

φ50

φ50

φ75

D2

φ45±0.1

φ38

φ70

φ81

φ80

φ80

φ105

D3

φ60




φ99

φ99

φ125

D4

φ6.5




φ10.5

φ10.5

φ12

D5

φ38




φ58

φ58

φ81

D6

φ22+0.050




φ40+0.05

φ40+0.05

φ60+0.05

L1

85

110

235

245

100

155

150

L2

17

17

50

50


50

50

L3


25

80

70




L4








L5








L6





14

25

30

B1

26 0-0.2

26 0-0.2

44 0-0.2

67.5 0-0.2


44 0-0.2

67.5 0-0.2

B2

8

8

16

20


16

20

H1

12.7





19.05

25.4



美狮贵宾会


  • 网站地图